手柄(bing)消防溝槽(cáo)蝶閥

産品(pǐn)型号:D81X

公稱(chēng)通徑:DN50~DN600(2"~24")

公稱(cheng)壓力:PN11/30/25

工作(zuò)溫度:0°C~80°C

适用(yòng)介質:水及(ji)泡沫悲恋花电㊙️视剧🌈混合(he)液

閥體材(cái)質:球墨鑄(zhu)鐵

産品概(gai)述
       手柄消(xiao)防溝槽蝶(die)閥具有安(ān)裝快速、簡(jian)易、安全、可(ke)靠、不受安(ān)♉裝場地限(xiàn)制、便于管(guǎn)道與閥門(men)的維修保(bǎo)養,有隔振(zhen)隔音與一(yi)定的角度(dù)範圍内有(you)克服管道(dào)連接不同(tong)軸而産生(shēng)仿差🎯,解決(jue)溫差所産(chǎn)生熱脹冷(leng)縮✨等優點(dian)。廣泛應用(yong)于輸送流(liú)體管道的(de)給排水,消(xiao)防、空調、燃(ran)氣、石油、化(huà)工、水處理(li)、市政、造船(chuan)等管道工(gong)程作爲控(kong)制流💁體🐅作(zuo)用。


産品特(te)點

1、閥門采(cai)用中線型(xíng)密封結構(gòu)設計,扭矩(ju)輕,密封性(xìng)能好;
2、蝶闆(pǎn)、閥杆采用(yong)無銷設計(jì)連接,連接(jiē)可靠性好(hao);
3、蝶闆整體(ti)采用包膠(jiao)硫化,耐腐(fǔ)蝕性好;
4、閥(fá)門與管道(dào)的連接采(cǎi)用卡箍連(lián)接形式,安(ān)裝方便、快(kuai)㊙️速👣;
5、閥門的(de)驅動方式(shì)多樣化,可(ke)配置把手(shǒu)操作、蝸輪(lún)蝸㊙️杆😄操作(zuò)、電動及氣(qì)動操作方(fāng)式。

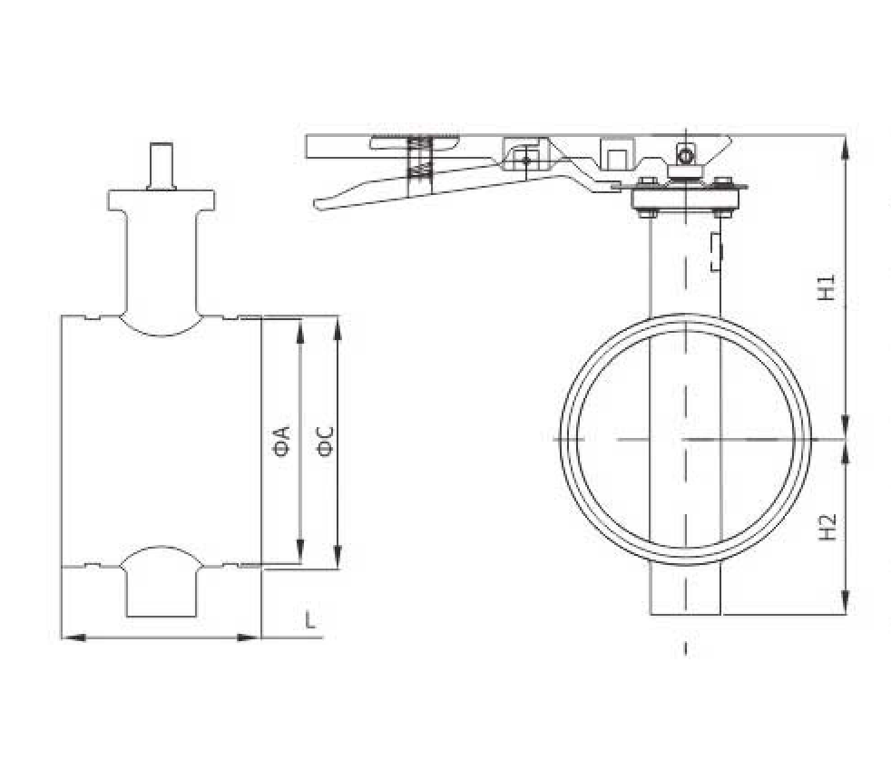
手柄(bing)消防溝槽(cao)蝶閥(圖1)

主(zhǔ)要外形連(lian)接尺寸

型(xíng)号

DN

L

H1

H2

ZSDF 8-Q-50-16-D81X

50

57.2

60.3

88

136

62

65

142

70

ZSDF 8-Q-80-16-D81X

80

84.9

96

149

79

ZSDF 8-Q-100-16-D81X

100

110.1

114.3

115

173

94

ZSDF 8-Q-125-16-D81X

125

139.7

115

187

108

ZSDF 8-Q-150-16-D81X

150

160.8

165.1

132

201

117



産品推(tuī)薦