産品詳情(qíng)
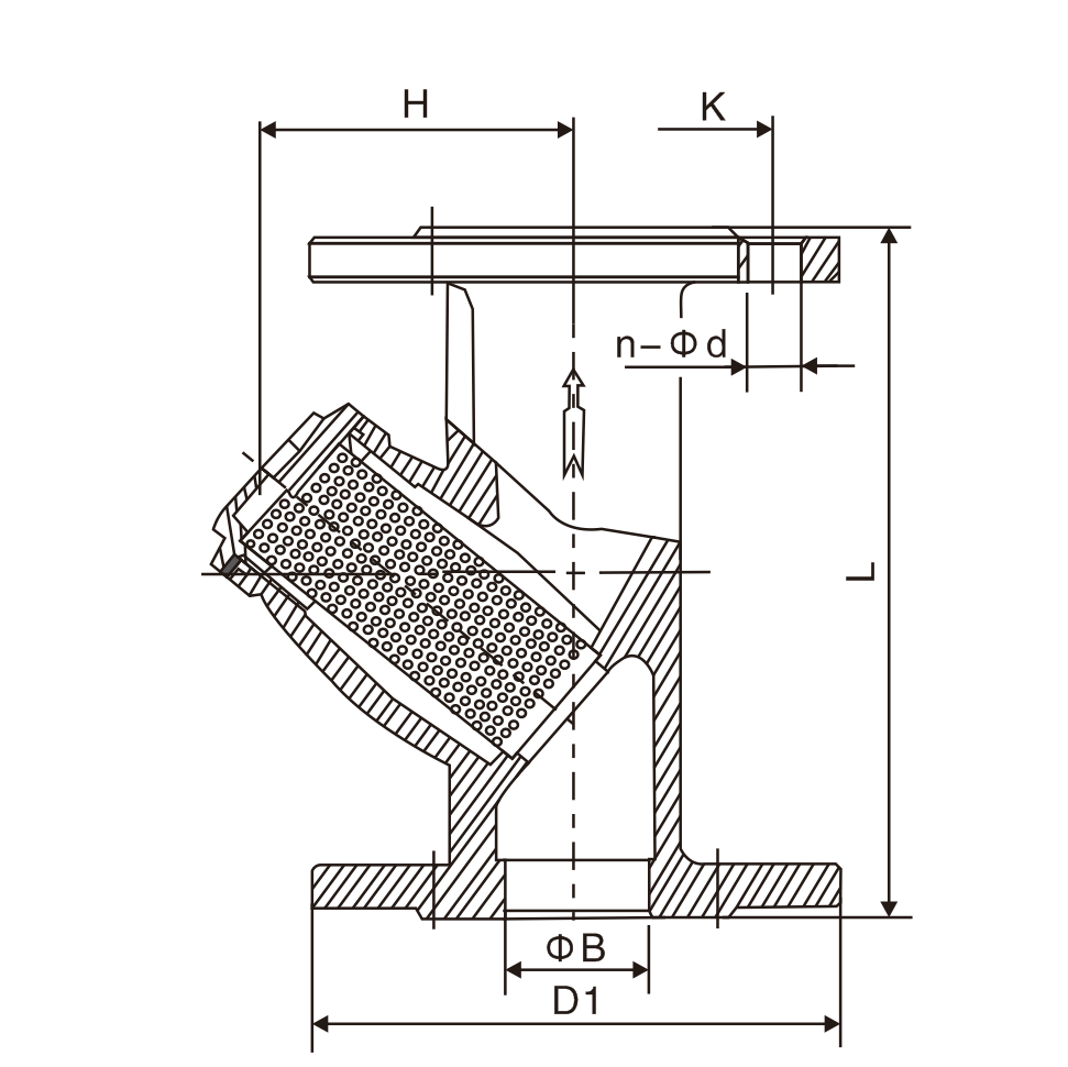
主要外形(xíng)尺寸
|
NPS(in) |
L |
H |
K |
D1 |
n-Φd |
|
|
80 |
3 |
305 |
96 |
160 |
200 |
8-18 |
|
100 |
4 |
314 |
220 |
220 |
8-18 |
|
|
5 |
235 |
210 |
8-18 |
|||
|
150 |
6 |
470 |
250 |
240 |
280 |
8-22 |
| 8 |
338 |
11-30 |
Copyright © 2022-2023 南京(jing)博高閥門(mén)有限公司(si) 版權所有(yǒu) 京ICP證000000号
蘇(su)公網安備(bei) 32010202011315号
蘇(su)公網安備(bei) 32010202011315号
網站建(jiàn)設: 豐盛科(kē)技